E2 UK GT550 Models
As found with the work I did on the GT750 Field Guide, UK models are variants on the E1 General Export versions with just minor differences. I have not yet located UK country specific parts listings for the 'J', 'K' or 'L' models.
- The headlamp lens was have been specific for driving on the left side of the roadway (same as used in Japan).
- For the 'M', 'A' and 'B' models, a safety lamp was added to the headlamp as a separate lamp socket in the left side of the main beam reflector (35100-34641).
- For the 'M', 'A' and 'B' models, a metal spark plug cap was standard in the UK.
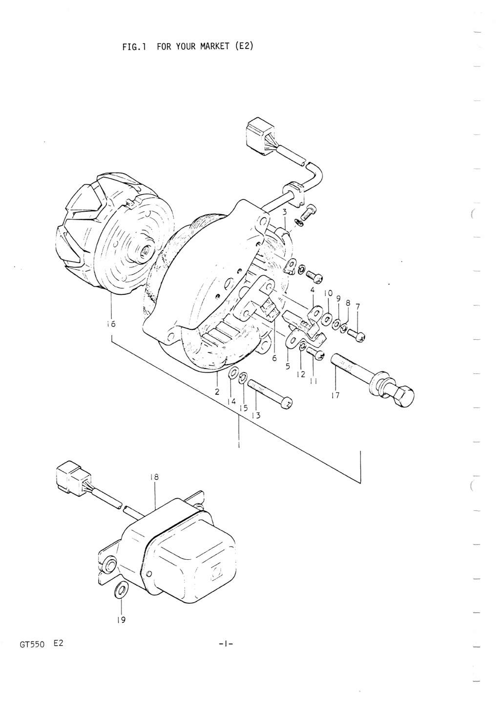
- Of interest is that for some reason the Kokusan aternator and regulator was fitted to the UK 'B' models, whereas the standard E1 model used the Nippon Denso which presumably would have been fitted to earlier UK models.
- Note: I am still gathering data on the ND/Kokusan electrics as a number of combinations have been found in the field. As better data becoimes available, this section (and others) will be updated.
- The left switch gear included a pass or flash button on most models - the photo is of the 57700-31015 as fitted to the E1 'A' and 'B' models. On the right is the right side switch gear, which was basically unchanged for the 'K' through 'B' models.
Below are copies from the UK E2 specific parts list for 'M' through 'B':