Previous, Next, Index

E4 France GT550 Models

As yet I have no data on the French 'J', 'K' and 'L' models

  • The same 'ski jump'rear fender used on the GT750 was used on the E4 'M', 'A' and 'B' models.
  • The 'dog bone' style rear tail light was used through to the end of the E4 production.

  • The mirrors for the M, A and B models had a stepped shaft as seen to the right. The beauty of this design of course is that there is only one part number (56500-28600) for both sides of the handlebars - its surprising this was not more commonly offered elsewhere.

  • For the 'M', 'A' and 'B' models, the left handlebar had the same spring loaded 'pass' switch (57700-31610) as used on the E4 GT750 and may be seen in the photo to the right which was supplied by Mick Taylor.
  • The E4 center mufflers are specific for the 'M' and 'A'.
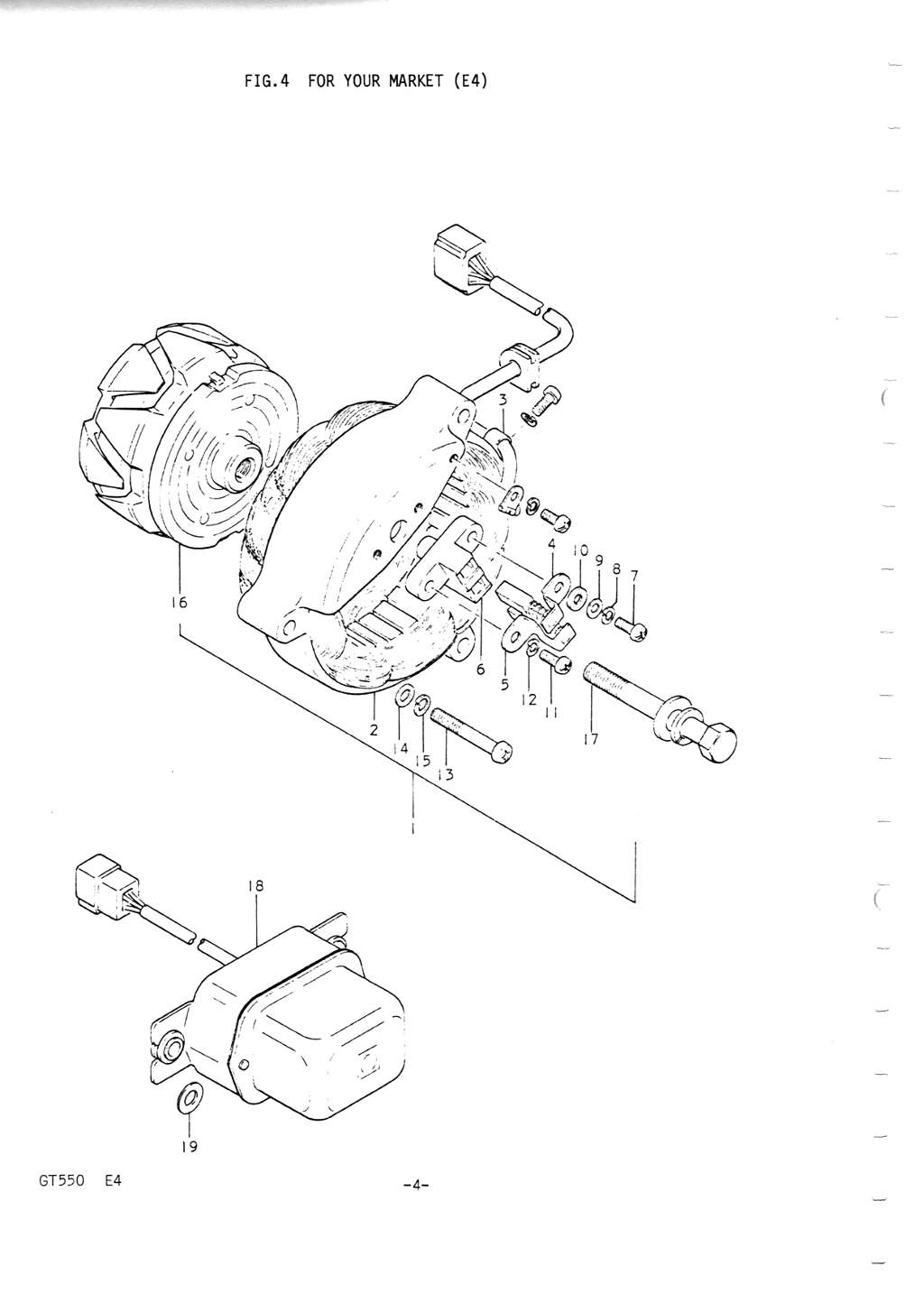
  • a Kokusan alternator and regulator were fitted to the 'B'

Back to Top

Below are copies from the French E4 specific parts lists for the M,A and B models:

Back to Top

Previous, Next, Index