Previous, Next, Index

E21 Belgium GT550 Models

I have not yet located parts listings for the 'J', 'K', 'L' or 'M' models.

  • Metal spark plug caps were used for the 'A' and 'B' models.
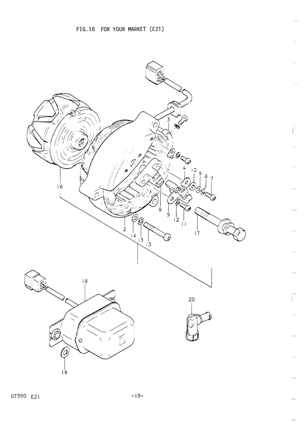
  • Kokusan alternators and regulators were fitted to the 'B' models
  • A front brake light switch was added to the 'A' and 'B' models
  • As no side reflector was fitted, the turn signal housings were not drilled for the 'A' model and were similar to the units fitted in some other countries (Germany) under part numbers 35601-34660-99 for the front, and 35603-33660-999 for the rear
  • For the 'B' model specifically, smaller turn signals similar (but not the same) to those used on the GS400 were used front and rear.
  • The 'dog bone' style rear tail lamp was carried forward from the A series to the B, however although the lens itself was the same the rear tail light assembly itself was a different series part number from the E1 unit due to the fitting of the new additional amber side reflectors (35950-45010).
  • They all included the city driving bulb mounted in the side of the main reflector in the headlamp.
  • The left handlebar had a spring loaded 'pass' switch (57700-31610) seen in the photo to the right which was supplied by Mick Taylor

Below are copies from the E21 Belgium specific parts list for the A and B models:

Back to Top

Previous, Next, Index